江北管理区、各街道办事处,区直各部门、辖区各有关单位:
区十一届人大一次和政协九届一次会议期间,区人大代表和政协委员提出的代表建议156件、委员提案133件,共计289件。为切实做好人大代表建议和政协委员提案办理工作,现将有关事项通知如下:
一、提高认识,加强组织领导
人大代表建议和政协委员提案凝聚着众多代表委员的心血汗水,汇聚了各方人士的聪明才智。认真办理好建议提案,对于完善政府治理体系和治理能力,增强政府公信力和执行力,具有重要意义和作用。区政府将继续把办理人大代表建议和政协委员提案列入重要工作内容,对每件建议提案都明确一名区领导和部门领导作为分管领导和协调责任人。各承办单位要高度重视,切实加强领导,将建议提案办理工作纳入重要议事日程,按照“确责、履责、问责”的要求,建立完善的办理工作责任体系,打造办理工作责任链条。主要负责人要亲自研究办理工作,形成主要领导负总责、分管领导亲自抓、责任科室具体抓的工作格局,确保办理工作顺利开展。
二、严格程序,遵守办理规范
(一)明确承办职责。
1.建议提案的办理,根据要求分为独办、分办、会办三种方式。会办单位要积极配合牵头单位,并在8月15日前将会办意见提交牵头单位;牵头单位应主动与会办单位联系协商,汇总会办意见后,统一向代表委员答复。
2.各牵头单位在向代表委员当面答复时,应提醒代表委员在征询意见表(附件4)上,勾选是否同意公开建议提案的内容(未勾选的视为默认同意公开);代表委员同意公开建议提案内容的,在公开时,应注意保护代表委员的个人信息;所有建议提案的答复均由区政府办在区政府门户网站上予以公开。
(二)规范办理答复。向代表委员作出的办理答复,只能以承办单位名义答复,各承办单位的内设机构或下属单位不得向代表委员直接答复。答复函要严格按照A、B、C、D四类规定的格式撰写,其中,A类是指代表建议(议案)、委员提案所提问题已经解决或基本解决的;B类是指代表建议(议案)、委员提案所提问题正在解决或已列入计划准备解决的;C类是指代表建议(议案)、委员提案所提问题受目前条件限制或其他原因只能以后研究解决的;D类是指代表建议(议案)、委员提案所提问题留作参考或无法解决的。
(三)严格办理时序。
1.各主办(含会办牵头)单位要严格按照办理时限,于9月10日前向代表委员作出书面答复并征询办理意见(填写征询意见表),完成办理任务。
2.各主办单位在办理完毕后要将正式答复(含会办意见)纸质件和电子档以及征询意见表(附件4),一式两份及时报送区政府办备案销号。
3.对代表委员表示不满意的建议提案,必须重新办理,并于15日内重新给予书面答复。
三、重视沟通,不断完善办理机制
各承办单位要健全办理机制,切实推进本单位建议提案办理工作。要进一步加强沟通,改进办理方式。主办(牵头)单位要结合常态下防疫工作措施,采取电话、QQ、微信等多种形式,主动与代表委员沟通联系,充分了解代表、委员们的思路和意图;办理过程中要主动与代表委员商讨办理措施,自觉接受代表委员的监督,并听取代表委员对办理的意见,有条件的应邀请代表委员参与,确保办理工作扎实有效;办理后主要负责人或分管负责人要当面答复,进一步达成共识,提高办理满意度。区政府办将跟踪督办落实情况。
各承办单位要本着“量力而行,尽力而为”的原则,对承办的建议提案进行认真调查,逐个研究办理方案,制订周密的落实计划,集中有限财力,采取有效措施,切实解决建议提案所提问题。要认真研究代表、委员提出的意见,积极采纳合理化建议,对应该解决且有条件解决的问题,要抓紧解决;应该解决但因条件限制暂时难以解决的问题,要列入工作计划,创造条件逐步解决;涉及上级职责范围的问题,要积极主动地向上级反映情况;对确因受法律法规和上级明确要求等条件限制,难以解决的,应向代表、委员如实说明情况,争取代表、委员的理解和支持。对答复中承诺的事项,应及时向代表委员反馈进展情况,做到言必信,行必果,确保建议提案办复率和沟通率达到100%,建议提案办理落实率(办理结果列为A类和B类的建议所占比例之和)达到75%以上。
四、强化考核,有效提升办理水平
(一)强化跟踪协调。区政府办公室将密切跟踪各承办单位办理工作进展情况,及时发现和掌握各承办单位在办理过程中的困难和问题,为承办单位搞好协调服务,特别是对少数超出部门协调范围或涉及多个承办单位的重大问题,各牵头单位要及时向区政府分管领导报告,并做好衔接协调工作,为推进建议提案落实创造条件。
(二)开展检查督办。区政府办公室将对各单位工作方案、措施、与代表委员沟通、办理商讨情况等进行督办抽查和跟踪统计,并在全区通报办理工作情况。各承办单位要按照时间节点要求做好相关工作。区政府办公室将对办理中工作不力、推诿扯皮、进展缓慢的单位负责人实行提醒、约谈、挂牌等方式开展督办。
(三)严格目标考核。2022年,区政府将建议提案办理工作列为区政府部门效能目标考核内容,对承办单位的办理工作和办理结果进行评价。因工作不力造成代表委员对办理工作不满意的,将在年度目标管理考核中对承办单位扣减相应分值。
联系电话:6580356、6589867
附件:
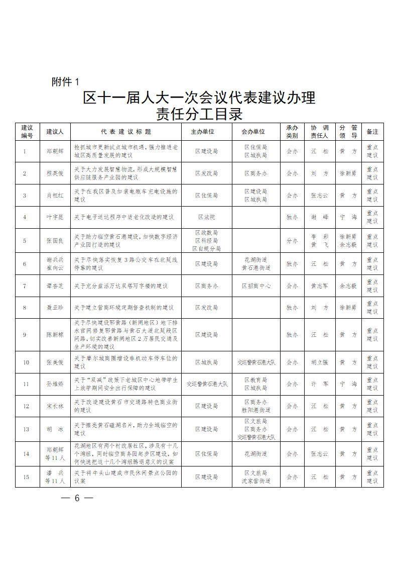
1.区十一届人大一次会议代表建议办理责任分工目录
2.区政协九届一次会议委员提案办理责任分工目录
3.建议提案答复模板
4.区人大代表建议政协委员提案办理情况征询意见表
黄石港区人民政府办公室
2022年3月10日


















首页 | 网站声明 | 使用帮助 | 联系我们 | 关于我们 | 网站地图
主办单位:黄石港区人民政府 版权所有 联系地址:湖北黄石市黄石港区人民政府磁湖路180# 联系电话:0714-3042828
鄂公网安备 42020202000007号 网站标识码:4202020002 鄂ICP备16019304号

